

西林鋰電池電動搬運車CBD12W/CBD15W-LI
產品優點:
小身材,大能量
全新鋰電,8公斤凈重,操作輕松,更換無憂
充電3小時,大功率,使用時間可達8小時
龍虎雙"剎"
可選配單,雙制動器,嚴謹的剎車配置,擁有高性能安全系數,
保證斜坡作業安全性,爬坡不下滑,符合歐洲CE標準,堪稱"安全達人"
一車多能
身兼兩種配置,全電動和半電動配置
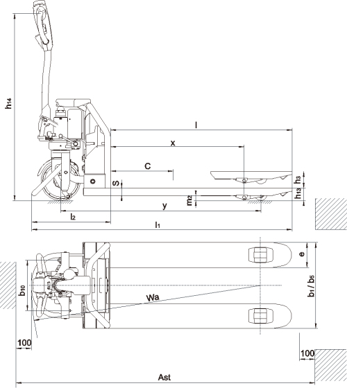
型號 | CBD12W | CBD15W-Li | |
驅動方式 | 電動 | 電動 | |
駕駛方式 | 步行式 | 步行式 | |
額定載荷 | Q(kg) | 1200 | 1500 |
貨叉最低高度 | h13(mm) | 80 | 80 |
起升高度 | h3(mm) | 190 | 190 |
總體長度 | l1(mm) | 1651/1721 | 1651/1721 |
車體寬度 | b1(mm) | 550/680 | 550/685 |
貨叉尺寸 | s/e/l(mm) | 45/160/1150(1220) | |
貨叉外寬 | b5(mm) | 550/680 | 550/685 |
軸距中心離地間隙 | h1(mm) | 35 | 35 |
通道寬度,托盤1000×1200(1200跨貨叉放置) | Ast(mm) | 1850/1920 | 1850/1920 |
通道寬度,托盤800×1200(1200沿貨叉放置) | Ast(mm) | 1900/1920 | 1900/1920 |
轉彎半徑 | Wa(mm) | 1452/1522 | 1452/1522 |
行駛速度,滿載/空載 | Km/h | 4/4.5 | 4/4.5 |
最大爬坡能力,滿載/空載 | % | 3/8 | 3/8 |
驅動電機功率 | KW | 0.6 | 0.7 |
提升電機功率 | KW | 0.8 | 0.8 |
蓄電池電壓/額定容量 | V/Ah | 48/20 | 48/20 |
自重 | kg | 140 | 140 |
行車制動 | 電磁制動 | 電磁制動 | |
駕駛員耳邊噪音等級符合DIN12053 | dB(A) | 70 | 70 |
